長沙中贏供水-無負壓二次供水設備,恒壓變頻供水設備,地埋式箱泵一體化給水泵站,不銹鋼水箱生產廠家!
信息搜索???Search
聯系我們???Contact
你的位置:首頁 > 新聞動態 > 供水百科

plc與變頻器接線圖與循環軟啟動變頻功能的實現

2014/7/3 11:10:13??????點擊:
plc與變頻器接線圖與循環軟啟動變頻功能的實現

    ABB變頻器ACS510廣泛地用于工業領域,還針對風機、水泵應用做了特別的優化,典型的應用包括恒壓供水,冷卻風機,鐵路和隧道通風機等。
    ABB變頻器ACS510系列產品功率范圍從0.75~132 kW。
    不僅性能穩定,質量可靠,而且功能強大,它的SPFC( 循環軟啟動控制)功能很方便實現恒壓供水系統,無須使用額外的PLC。

ABB變頻器ACS510 特點簡介
1)完美匹配風機水泵:
(1)增強的PFC 應用最多可控制7(1+6)臺水泵,能切換更多的泵;
(2)SPFC 循環軟啟功能可依次調節每個泵,最多可拖動6臺水泵,無須使用額外的PLC;
(3)多點U/f 曲線自由定義5 段U/f 曲線,可靈活廣泛的應用;
(4)超越模式應用于隧道風機的火災模式等緊急情況下;
(5)PID調節器有兩個獨立的內置PID控制器,PID1 和PID2。
2)更經濟:
(1)直覺特性噪音最優化,當傳動溫度降低時增加開關頻率;可控的冷卻風機,僅在需要時啟動;可隨機分布開關頻率,從而降低噪音,極大改善了電機噪音,降低了傳動噪音并提高功效;
(2)連接性簡單安裝,可并排安裝,容易連接電纜,通過多種I/O 連接和即插式可選件方便地連接到現場總線系統上;減少安裝時間,節約安裝空間,可靠的電纜連接。
3)更環保:
(1)EMC 適用于第一及第二環境的RFI 濾波器為標配,不需要額外的外部濾波器;
(2)電抗器變感電抗器,根據不同的負載匹配電感量,因此能抑制和減少諧波,降低總諧波。
2 SPFC功能概述
SPFC 功能,又稱循環軟啟動功能,內置在ACS510 變頻器中。該功能不同于PFC 功能之處在于,SPFC 功能每次啟動新電機的時候,都是用變頻器來啟動的,而變頻器剛剛拖動過的電機,將投切到工頻上。
下面以1 臺ACS510 變頻器拖動3 臺水泵為例,介紹SPFC 功能在恒壓供水系統中的實現。
2.1 ABB變頻器ACS510系統要求
1)控制室無人值守,要求全自動,同時要求設計手動回路作為應急備用。
2)3 臺泵循環軟啟動,要求不用PLC 控制,以降低成本。
3)1 臺泵出現故障時,能切換掉,保證系統能繼續工作。
4)3 臺泵輪換運行,保證各泵運行時間相等,防止泵體久置生銹。
5)沒有用水時讓變頻器進入睡眠狀態,達到節能的目的,但要保證系統能根據用水量隨時自動跟蹤啟動。
2.2 三泵控制主回路電路圖
1拖3 控制的主回路電路圖如圖1 所示。
變頻器在SPFC 功能下運行時,3 泵恒壓供水系統的主回路硬件配置有變頻器,接觸器,熔斷開關等,根據需要選配OREL-01(ACS510 繼電器擴展選件)。
SPFC 宏的主要控制特點為:
1)當電機1 頻率到達上限設定頻率時,如果壓力沒有達到給定要求,電機脫離傳動單元,經過一段時間延遲后,直接接入電網運行;
2)電機2 連接到傳動單元,2 號電機速度根據PID 的給定值和實際值的運算結果逐步增加,直到滿足泵的實際工況;
3)電機3 使用同樣的步驟進行啟動;
4)停止電機的過程如同標準PFC 控制(停止輔助電機,并繼續調節正在控制的電機速度);
5)設置電機的啟動順序可以分為平均運行時間和繼電器順序(參考參數8127)。
2.3 系統的工作邏輯
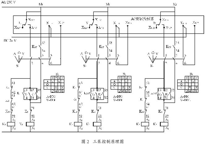
三泵控制原理圖如圖2 所示,變頻器工作邏輯時序圖如圖3 所示。如果最終用戶在使用過程中,沒有特殊的要求,基本上按照圖(2)就可以實現三泵的SPFC功能。從圖2、圖3中,可以看到的有 ABB變頻器ACS510 的繼電器與DI 口,三位開關S1,S2,S3,以及繼電器線包與常開常閉觸點等元件。結合變頻器主回路圖,控制回路圖,邏輯時序圖,系統的工作邏輯如下所述。
1)DI 信號閉合,傳動單元啟動,RO1(繼電器1)閉合,接觸器K1 也吸合。此時調制被禁止。
2)傳動單元經歷一段PFC 啟動延時(參數8122)。此時調制仍被禁止,因為傳動單元需要等待所有接觸器穩定。
3)允許調制,M1變頻起動,調制從零速啟動。
4)如果實際壓力小于給定壓力,就準備將M2投入。于是,當輸出頻率fout 超過啟動頻率1 Hz時,輔機啟動延時(參數8115)。當輔機啟動延時完后,傳動單元自由停車,RO1打開,K1也斷開。
5)傳動單元等待PFC 啟動延時(參數8122)。
然后,傳動單元閉合RO2,K2 閉合。傳動單元連接到新的被控制電機上。此時調制仍被禁止。傳動單元等待PFC 啟動延時(參數8122)。此時調制仍被禁止,因為傳動單元需要等待所有的交流接觸器穩定。然后,傳動單元閉合RO1,K1.1吸合,將M1 直接切換到電網上( 恒速運行),此時調制允許,傳動單元從零速啟動連接在RO2 的電機M2。
plc與變頻器接線圖表述:ABB變頻器ACS510利用SPFC功能
plc與變頻器接線圖與循環軟啟動變頻功能的實現
plc與變頻器接線圖表述:ABB變頻器ACS510利用SPFC功能


6)如果實際壓力小于給定壓力,就準備將M3投入。于是,輸出頻率fout 超過啟動頻率1 Hz 時,輔機啟動延時(參數8115)啟動。當輔機啟動延時完后,傳動單元自由停車,RO2斷開,因此K2 斷開。因為RO1 處于吸合狀態,所以K1.1自保持,M1繼續保持工頻運行(在設計外圍電路時,此處不能忽略)。
7)傳動單元等待PFC 啟動延時(參數8122)。
傳動單元閉合RO3,K3 閉合。傳動單元連接到新的被控制電機M3上。此時調制仍被禁止。
8)傳動單元等待PFC 啟動延時(參數8122)。
此時調制仍被禁止,因為傳動單元需要等待所有的交流接觸器穩定。然后,傳動單元閉合RO2,K2.1吸合,M2直接切換到電網上(恒速運行)。
9)此時調制允許,傳動單元從零速啟動連接在RO3 的電機M3。
10)此時M1,M2 工頻運行,M3 變頻運行,如果實際壓力高于給定壓力,于是輸出頻率fout 低于停止頻率1 Hz 時,輔機停止延時(參數8116)啟動。當輔機啟動延時完成后,RO1 斷開,這時K1.1 掉電,M1停止工頻運行。
11)此時M2 工頻運行,M3 變頻運行,如果此時實際壓力仍高于給定壓力,于是輸出頻率fout 低于停止頻率1 Hz時,輔機停止延時(參數8116)啟動。當輔機啟動延時完后,RO2斷開,這時K2.1 掉電,M2停止工頻運行。
12)如果此時壓力又不夠,于是RO3 斷開,K3斷開變頻運行。RO1閉合,K1吸合,M1 變頻運行。
RO3 閉合,K3.1 吸合,M3 工頻運行(注意:輔機的切換順序可以通過參數8128 來設置)。
13)接下來的邏輯依上所述類推。即使輔機數量在4-6 臺,邏輯也類似于上面所述。

 

2.4  ABB變頻器ACS510 的控制板
ACS510 的控制板I/O 控制連接示意圖如圖4所示。
plc與變頻器接線圖表述:ABB變頻器ACS510利用SPFC功能



2.5 ABB變頻器ACS510主要參數設置
9902 SPFC 宏(應用宏)
1001 DI1(手動啟動)
1002 DI6(自動啟動)
1102 DI2(EXT1/EXT2切換)
1103 AI1(手動給定信號)
1106 PIDOUT1(自動給定源)
1401 PFC
1402 PFC
1403 PFC
1601 使能
2007 25 Hz(頻率低限值)
2008 52 Hz(頻率高限值)
4010 19(內部設定)
4011 根據壓力需要設定
4022 7(睡眠選擇信號)
4023 40(睡眠頻率)
4024,4025,4026 根據需要設定
8117 2(兩臺輔機)
8127 3(三臺電機)
8120 DI3(內部鎖定)
8122 根據需要設定
8128 平均運行時間(輔助電機啟動順序)
    參考三泵控制原理及配置,用戶可以根據實際的需要配置更多的外部輔助設備,并且最好在出廠前把邏輯調試好,繼電器的切換完全是由變頻器根據水壓的變化自動做出的動作。

3 結語
    ABB變頻器ACS510的SPFC(循環軟啟動控制)功能在恒壓供水系統的使用中越來越廣泛,因為它內部強大的邏輯功能大大降低了用戶的工作量。此外,因為無須使用外部PLC, 降低了用戶的一次投資成本。同時因為電網直接快速的投切到已經運行中的電機上,相比較電網直接投切到靜止的電機,啟動沖擊電流就大大地減小了。



姓名: *
手機: *
您的問題: *
留下您的咨詢問題和聯系方式,我們會有專員給您解答
圖片看不清?點擊重新得到驗證碼