長沙中贏供水-無負壓二次供水設備,恒壓變頻供水設備,地埋式箱泵一體化給水泵站,不銹鋼水箱生產廠家!
信息搜索???Search
聯系我們???Contact
你的位置:首頁 > 新聞動態 > 行業新聞

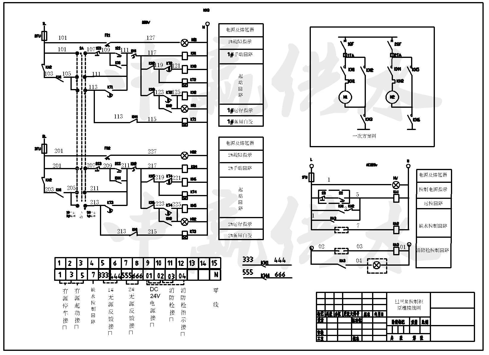
如何按照星三角啟動接線圖把配電柜裝好呢?

2017/8/18 12:04:25??????點擊:

如何按照星三角啟動接線圖把配電柜裝好呢?


星三角啟動接線圖

星三角啟動接線圖原理
      1. 當負載對電動機啟動力矩無嚴格要求又要限制電動機啟動電流、電機滿足380V/Δ接線條件、電機正常運行時定子繞組接成三角形時才能采用星三角啟動方法;
  2.該方法是:在電機啟動時將電機接成星型接線,當電機啟動成功后再將電機改接成三角型接線(通過雙投開關迅速切換);
  3.由于電機啟動電流與電源電壓成正比,而此時電網提供的啟動電流只有全電壓啟動電流的1/3,因此其啟動力矩也只有全電壓啟動力矩的1/3;
  4.星三角啟動屬降壓啟動,它是以犧牲功率為代價換取降低啟動電流來實現的,所以不能一概而論以電機功率的大小來確定是否需采用星三角啟動,還要看是什么樣的負載。一般在啟動時負載輕、運行時負載重的情況下可采用星三角啟動,通常鼠籠型電機的啟動電流是運行電流的5-7倍,而電網對電壓要求一般是正負10%,為了使電機啟動電流不對電網電壓形成過大的沖擊,可以采用星三角啟動。一般要求在鼠籠型電機的功率超過變壓器額定功率的10%時就要采用星三角啟動;
5.在實際使用過程中,有時電機功率為11KW就需要星三角啟動,如額定功率11KW的風機在啟動時電流為7-9倍(100A左右),按正常配置的熱繼電器根本啟動不了(關風門也沒用),熱繼電器配太大又無法起到保護電機的作用,所以建議采用星三角啟動。


星三角啟動接線圖接線方法
星形接U1,V1,W1;把U2,V2,W2短接。
  三角形,U1-W2,V1U2,W1V2分別短接,電源加在形成的三角形接頭上。





姓名: *
手機: *
您的問題: *
留下您的咨詢問題和聯系方式,我們會有專員給您解答
圖片看不清?點擊重新得到驗證碼